パナソニック WU-LP157 電源制御ユニット [WU-LP157]
商品詳細
メーカー:パナソニック(Panasonic)
品名:電源制御ユニット
品番:WU-LP157(WULP157)
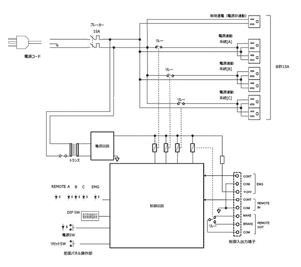
<特長>
・総電流容量15Aアース付き3PのACコンセントを7個装備。
・電源投入タイミングは4パターンを搭載。
・非常時遮断選択は 3系統搭載。
| 電源 | AC100V50Hz/60Hz アース付き3極プラグ 電源コード長 約2.3m |
|---|---|
| 消費電力 | 6W |
| 使用温度範囲 | 0℃〜45℃ |
| 寸法 | 480mm(幅)×44mm(高さ)×300mm(奥行) |
| 質量 | 約4kg |
| ACコンセント | 15Aブレーカー内蔵 系統A:2、系統B:2、系統C:2、非連動:1 2極接地付コンセント、1個あたり15A以下 |
| ACコンセント 制御タイミング | 電源ONのとき、系統A→系統B→系統C→増設用制御出力について、以下の4パターンから選択 (1)電源ON→A→(1秒)→B→(1秒)→C→(1秒)→増設 (2)電源ON→A→(5秒)→B→(5秒)→C→(5秒)→増設 (3)電源ON→A→(5秒)→B→(55秒)→C→(5秒)→増設 (4)電源ON→A→(10秒)→B→(110秒)→C→(5秒)→増設 ※スイッチ設定により、増設用制御出力を系統A と同時に出力することも可能 電源OFFのときは、増設→C→B→A の順序で、1秒間隔で電源OFF |
| 仕上げ | 前面パネル:ABS樹脂黒色塗装 マンセルN1近似色 カバー:黒色塗装 マンセルN1近似色 |
| 外部制御入力端子 | 1回路(無電圧メイク信号により電源ON) 開放電圧12V、短絡電流1mA |
| 非常用放送設備端子 | 1回路 非常時DC24Vブレイク または 非常時DC24Vメイク、 制御電流1mA 系統A、系統B、系統C、増設用制御出力について、個別に連動/非連動を設定可能 |
| 増設用制御出力端子 | 1回路(メイク、ブレイク端子あり、メカニカルリレー) 接点容量 DC24V1A |