パナソニック WU-LP067 RAMSA 電源制御ユニット [WU-LP067]
商品詳細
メーカー:パナソニック(Panasonic)
ブランド:ラムサ(RAMSA)
品名:電源制御ユニット
品番:WU-LP067(WULP067)
<特長>
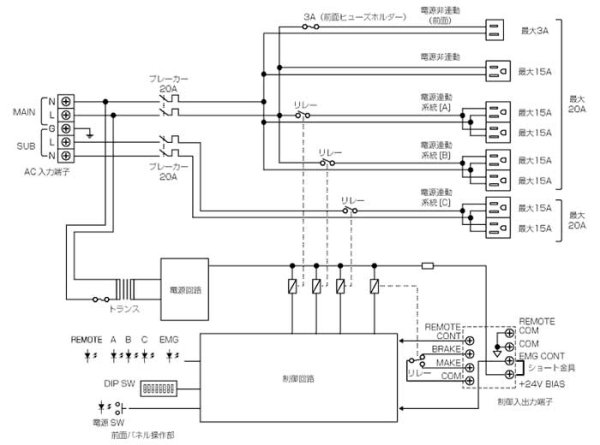
・ミキサーやオーディオアンプなどの機器の電源のON/OFFを集中制御する電源制御ユニットです。本機前面の電源スイッチ、または外部機器からの制御信号により、本機から電源を供給している機器の電源ON/OFFを制御できます。
・過負荷保護のため、20Aのノーヒューズブレーカーを2系統備えています。また、本機を増設することにより電源を制御する対象機器を増やすことができます。
・電源出力系統を3系統装備し、その電源ON/OFFタイミングに時間差を設けているため、電源ON時の突入電流の重畳による主幹側ブレーカーの遮断を防止できます。オーディオアンプの電源を最後にONすることによって、音響システムの電源投入時にスピーカーから出力されるクリックノイズを軽減する使い方も可能です。電源ONのタイミングは4種類から選択可能です。
・後面パネルにコンセントを7個(2極接地極付、うち1個は非連動)、前面パネル内側にサービスコンセント(2極、非連動)を1個装備しています。
・非常用放送設備からの制御出力を受けて、非常放送時に音響機器の電源を遮断できます。また、電源出力系統ごとに、遮断するかどうか個別に設定できるので、非常放送時にオーディオアンプの電源のみを遮断するといった使いかたができます。
・本機制御部の電源回路は内蔵のノーヒューズブレーカーとは独立しているため、本機のノーヒューズブレーカーが遮断されても、増設機として接続されている電源制御ユニットは動作を継続します。
| 電源 | AC 100V 50Hz/60Hz ねじ式端子台(2系統) 適合線材:より線2.0mm2以上(円端子使用のこと)、単線 直径1.6mm〜2.6mm |
|---|---|
| 消費電力 | 6W |
| 使用温度範囲 | 0℃〜+45℃ |
| 寸法 | 幅480mm 高さ44mm 奥行き300mm (突起部含まず) |
| 質量 | 約4kg |
| 仕上げ:前面パネル | ABS樹脂黒色塗装 マンセルN1近似色 |
| 仕上げ:カバー | 黒色塗装 マンセルN1近似色 |
| ACコンセント:メインブレーカー(20Aブレーカー) | 系統A:2極接地極付×2(1個あたり15A以下) 系統B:2極接地極付×2(1個あたり15A以下) 後面 非連動:2極接地極付×1(15A以下) 前面 非連動:2極(3A以下) |
| ACコンセント:サブブレーカー(20Aブレーカー) | 系統C:2極接地極付×2(1個あたり15A以下) |
| ACコンセント 制御タイミング | 電源ONのとき、系統A→系統B→系統C→増設用制御出力について、以下の4パターンから選択 電源ON→A→(1秒)→B→(1秒)→C→(1秒)→増設※ 電源ON→A→(5秒)→B→(5秒)→C→(5秒)→増設※ 電源ON→A→(5秒)→B→(55秒)→C→(5秒)→増設※ 電源ON→A→(10秒)→B→(110秒)→C→(5秒)→増設※ ※スイッチ設定により、増設用制御出力は系統Aと同時に出力することも可能 電源OFFのときは、電源ON時と逆の順序で1秒間隔 |
| 外部電力制御入力端子 | 1回路(無電圧メイク信号により電源入) 開放電圧 12V、短絡電流 1mA |
| 非常用放送設備端子 | 1回路 EMG DC 24Vブレイクまたはメイク (出荷時ブレイク) 系統A、系統B、系統C、増設用制御出力について、個別にEMG信号に対する連動/非連動を設定可能 |
| 増設用制御出力端子 | 1回路(メイク、ブレイク端子あり、メカニカルリレー) 接点容量 DC 24V 1A |


この商品の後継機品は「WU-LP407」になります。